Товаров:
На сумму: руб.
Каталог продукции
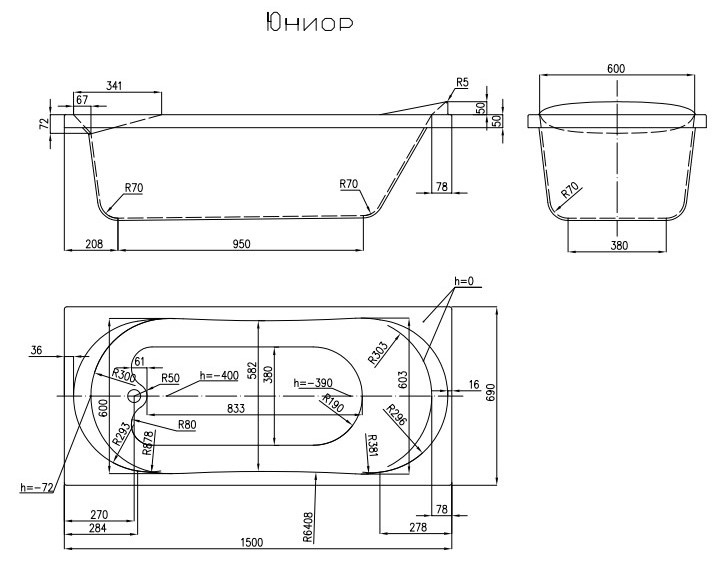
Акриловая ванна Акватика Юниор STANDART
Описание
Акриловая гидромассажная ванна «Юниор» станет островком удовольствия в Вашем доме. Габариты ванны, вмещающей 130 л, позволяют с комфортом разместиться одному человеку. Особенно удобно использовать компактную ванну в семьях с маленькими детьми. Ребристое дно препятствует скольжению ног, а упругие струи гидромассажной системы дарят ощущение полного покоя. Для проведения расслабляющего массажа предусмотрены 6 форсунок, из которых на тело направляется вода под давлением. Белоснежная овальная чаша великолепно сочетается с интерьерами помещений, оформленных в любой цветовой гамме. Легкие и прочные акриловые ванны отлично держат нужную температуру и не доставляют особых проблем при чистке. Небольшие размеры позволяют устанавливать ванну «Юниор» даже в условиях ограниченного пространства.
Вариант комплектации:
- STANDART (рама, слив-перелив)
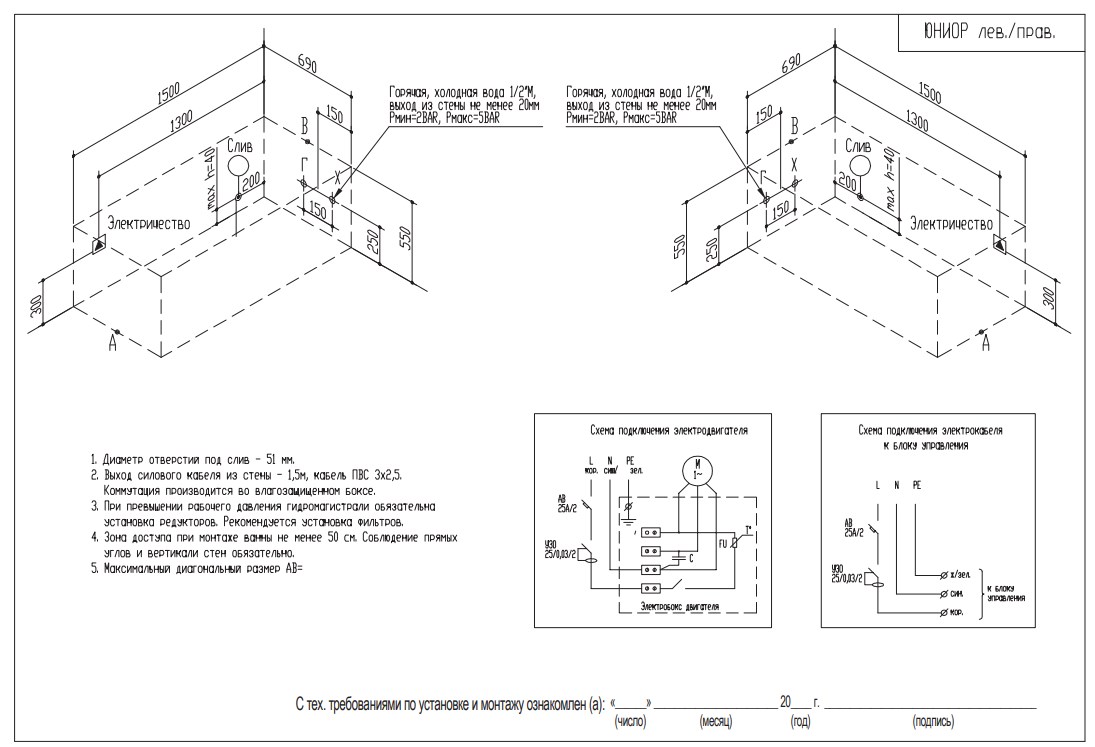
Важно! Вариант ванны правая или левая необходимо указывать при заказе. Разворот ванны Акватика определяет по голове, если подходить со стороны фронтального экрана.
Характеристики
| Категория | Ванны |
| Производитель: | Акватика |
| Страна: | Россия |
| Размер: | 150x70 см |
| Форма: | прямоугольная |
| Объем: | 130 л |
| Гидромассаж: | есть |
| Гарантия: | 3 года |
| Цвет: | белый |
| Материал: | акрил |
| Кол-во человек: | 1 |
| Регулировка интенсивности массажа: | есть |
Дополнительные комплектующие:
- фронтальная панель - 7400 рублей.
- боковая панель левая - 5300 рублей.
- боковая панель правая- 5300 рублей.
- аэромассаж - 29460 рублей.
- подголовник Техногель - 10080 рублей.
- подводный прожектор (белый) - 10680 рублей.
- подводный прожектор (мультицвет) - 15800 рублей.
- Аквасаунд - 30920 рублей.
Смесители:
- Ниагара - 27320 рублей.






